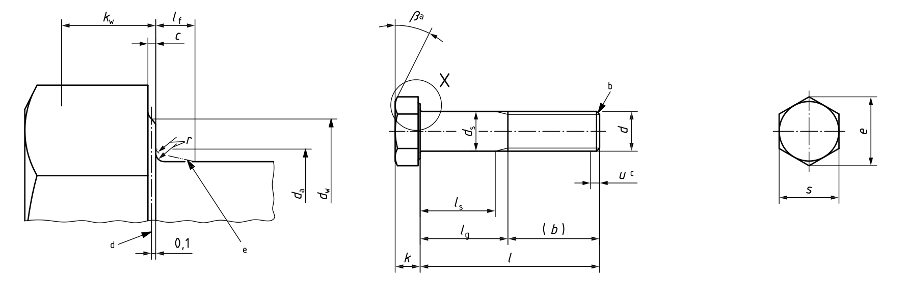
DIN 931 PN 82101 UNI 5737 CSN 4014
| Thread, d | Pa | b ref. | c | da max. |
ds | dw | e | lf max. |
k | kwe | r min. |
s | ||||||||||||||
|---|---|---|---|---|---|---|---|---|---|---|---|---|---|---|---|---|---|---|---|---|---|---|---|---|---|---|
| b | c | d | max. | min. | nom. = max. |
Product grade | Product grade | Product grade | nom. | Product grade | Product grade | nom. = max. |
Product grade | |||||||||||||
| A min. |
B min. |
A min. |
B min. |
A min. |
B min. |
A max. |
A min. |
B max. |
B min. |
A min. |
B min. |
A min. |
B min. |
|||||||||||||
| M1,6 | 0,35 | 9 | 15 | 28 | 0,25 | 0,10 | 2 | 1,60 | 1,46 | 1,35 | 2,27 | 2,30 | 3,41 | 3,28 | 0,6 | 1,1 | 1,225 | 975 | 1,3 | 0,9 | 0,68 | 0,63 | 0,1 | 3,20 | 3,02 | 2,90 |
| M2 | 0,4 | 10 | 16 | 29 | 0,25 | 0,10 | 2,6 | 2,00 | 1,86 | 1,75 | 3,07 | 2,95 | 4,32 | 4,18 | 0,8 | 1,4 | 1,525 | 1,275 | 1,6 | 1,2 | 0,89 | 0,84 | 0,1 | 4,00 | 3,82 | 3,70 |
| M2,5 | 0,45 | 11 | 17 | 30 | 0,25 | 0,10 | 3,1 | 2,50 | 2,36 | 2,25 | 4,07 | 3,95 | 5,45 | 5,31 | 1 | 1,7 | 1,825 | 1,575 | 1,9 | 1,5 | 1,10 | 1,05 | 0,1 | 5,00 | 4,82 | 4,70 |
| M3 | 0,5 | 12 | 18 | 31 | 0,40 | 0,15 | 3,6 | 3,00 | 2,86 | 2,75 | 4,57 | 4,45 | 6,01 | 5,88 | 1 | 2 | 2,125 | 1,875 | 2,2 | 1,8 | 1,31 | 1,26 | 0,1 | 5,50 | 5,32 | 5,20 |
| M3,5 | 0,6 | 13 | 19 | 32 | 0,40 | 0,15 | 4,1 | 3,50 | 3,32 | 3,20 | 5,07 | 4,95 | 6,58 | 6,44 | 1 | 2,4 | 2,525 | 2,275 | 2,6 | 2,2 | 1,59 | 1,54 | 0,1 | 6,00 | 5,82 | 5,70 |
| M4 | 0,7 | 14 | 20 | 33 | 0,40 | 0,15 | 4,7 | 4,00 | 3,82 | 3,70 | 5,88 | 5,74 | 7,66 | 7,50 | 1,2 | 2,8 | 2,925 | 2,675 | 3,0 | 2,6 | 1,87 | 1,82 | 0,2 | 7,00 | 6,78 | 6,64 |
| M5 | 0,8 | 16 | 22 | 35 | 0,50 | 0,15 | 5,7 | 5,00 | 4,82 | 4,70 | 6,88 | 6,74 | 8,79 | 8,63 | 1,2 | 3,5 | 3,65 | 3,35 | 3,74 | 3,26 | 2,35 | 2,28 | 0,2 | 8,00 | 7,78 | 7,64 |
| M6 | 1 | 18 | 24 | 37 | 0,50 | 0,15 | 6,8 | 6,00 | 5,82 | 5,70 | 8,88 | 8,74 | 11,05 | 10,89 | 1,4 | 4 | 4,15 | 3,85 | 4,24 | 3,76 | 2,70 | 2,63 | 0,25 | 10,00 | 9,78 | 9,64 |
| M8 | 1,25 | 22 | 28 | 41 | 0,60 | 0,15 | 9,2 | 8,00 | 7,78 | 7,64 | 11,63 | 11,47 | 14,38 | 14,20 | 2 | 5,3 | 5,45 | 5,15 | 5,54 | 5,06 | 3,61 | 3,54 | 0,4 | 13,00 | 12,73 | 12,57 |
| M10 | 1,5 | 26 | 32 | 45 | 0,60 | 0,15 | 11,2 | 10,00 | 9,78 | 9,64 | 14,63 | 14,47 | 17,77 | 17,59 | 2 | 6,4 | 6,58 | 6,22 | 6,69 | 6,11 | 4,35 | 4,28 | 0,4 | 16,00 | 15,73 | 15,57 |
| M12 | 1,75 | 30 | 36 | 49 | 0,60 | 0,15 | 13,7 | 12,00 | 11,73 | 11,57 | 16,63 | 16,47 | 20,03 | 19,85 | 3 | 7,5 | 7,68 | 7,32 | 7,79 | 7,21 | 5,12 | 5,05 | 0,6 | 18,00 | 17,73 | 17,57 |
| M14 | 2 | 34 | 40 | 53 | 0,60 | 0,15 | 15,7 | 14,00 | 13,73 | 13,57 | 19,64 | 19,15 | 23,36 | 22,78 | 3 | 8,8 | 8,98 | 8,62 | 9,09 | 8,51 | 6,03 | 5,96 | 0,6 | 21,00 | 20,67 | 20,16 |
| M16 | 2 | 38 | 44 | 57 | 0,8 | 0,2 | 17,7 | 16,00 | 15,73 | 15,57 | 22,49 | 22 | 26,75 | 26,17 | 3 | 10 | 10,18 | 9,82 | 10,29 | 9,71 | 6,87 | 6,8 | 0,6 | 24,00 | 23,67 | 23,16 |
| M18 | 2,5 | 42 | 48 | 61 | 0,8 | 0,2 | 20,2 | 18,00 | 17,73 | 17,57 | 25,34 | 24,85 | 30,14 | 29,56 | 3 | 11,5 | 11,715 | 11,285 | 11,85 | 11,15 | 7,9 | 7,81 | 0,6 | 27,00 | 26,67 | 26,16 |
| M20 | 2,5 | 46 | 52 | 65 | 0,8 | 0,2 | 22,4 | 20,00 | 19,67 | 19,48 | 28,19 | 27,7 | 33,53 | 32,95 | 4 | 12,5 | 12,715 | 12,285 | 12,85 | 12,15 | 8,6 | 8,51 | 0,8 | 30,00 | 29,67 | 29,16 |
| M22 | 2,5 | 50 | 56 | 69 | 0,8 | 0,2 | 24,4 | 22,0 | 21,67 | 21,48 | 31,71 | 31,35 | 37,72 | 37,29 | 4 | 14 | 14,215 | 13,785 | 14,35 | 13,65 | 9,65 | 9,56 | 0,8 | 34,00 | 33,38 | 33,00 |
| M24 | 3 | 54 | 60 | 73 | 0,8 | 0,2 | 26,4 | 24,00 | 23,67 | 23,48 | 33,61 | 33,25 | 39,98 | 39,55 | 4 | 15 | 15,215 | 14,785 | 15,35 | 14,65 | 10,35 | 10,26 | 0,8 | 36,00 | 35,38 | 35,00 |
| M27 | 3 | 60 | 66 | 79 | 0,8 | 0,2 | 30,4 | 27,00 | — | 26,48 | — | 38 | — | 45,2 | 6 | 17 | — | — | 17,35 | 13,65 | — | 11,66 | 1 | 41 | — | 40 |
| M30 | 3,5 | 66 | 72 | 85 | 0,8 | 0,2 | 33,4 | 30,00 | — | 29,48 | — | 42,75 | — | 50,85 | 6 | 18,7 | — | — | 19,12 | 18,28 | — | 12,8 | 1 | 46 | — | 45 |
| M33 | 3,5 | — | 78 | 91 | 0,8 | 0,2 | 36,4 | 33,00 | — | 32,38 | — | 46,55 | — | 55,37 | 6 | 21 | — | — | 21,42 | 20,58 | — | 14,41 | 1 | 50 | — | 49 |
| M36 | 4 | — | 84 | 97 | 0,8 | 0,2 | 39,4 | 36,00 | — | 35,38 | — | 51,11 | — | 60,79 | 6 | 22,5 | — | — | 22,92 | 22,08 | — | 15,46 | 1 | 55,0 | — | 53,8 |
| M39 | 4 | — | 90 | 103 | 1,0 | 0,3 | 42,4 | 39,00 | — | 38,38 | — | 55,86 | — | 66,44 | 6 | 25 | — | — | 25,42 | 24,58 | — | 17,21 | 1 | 60,0 | — | 58,8 |
| M42 | 4,5 | — | 96 | 109 | 1,0 | 0,3 | 45,6 | 42,00 | — | 41,38 | — | 59,95 | — | 71,3 | 8 | 26 | — | — | 26,42 | 25,58 | — | 17,91 | 1,2 | 65,0 | — | 63,1 |
| M45 | 4,5 | — | 102 | 115 | 1,0 | 0,3 | 48,6 | 45,00 | — | 44,38 | — | 64,7 | — | 76,95 | 8 | 28 | — | — | 28,42 | 27,58 | — | 19,31 | 1,2 | 70,0 | — | 68,1 |
| M48 | 5 | — | 108 | 121 | 1,0 | 0,3 | 52,6 | 48,00 | — | 47,38 | — | 69,45 | — | 82,6 | 10 | 30 | — | — | 30,42 | 29,58 | — | 20,71 | 1,6 | 75,0 | — | 73,1 |
| M52 | 5 | — | 116 | 129 | 1,0 | 0,3 | 56,6 | 52,00 | — | 51,26 | — | 74,2 | — | 88,25 | 10 | 33 | — | — | 33,5 | 32,5 | — | 22,75 | 1,6 | 80,0 | — | 78,1 |
| M56 | 5,5 | — | — | 137 | 1,0 | 0,3 | 63 | 56,00 | — | 55,26 | — | 78,66 | — | 93,56 | 12 | 35 | — | — | 35,5 | 34,5 | — | 24,15 | 2 | 85,0 | — | 82,8 |
| M60 | 5,5 | — | — | 145 | 1,0 | 0,3 | 67 | 60,00 | — | 59,26 | — | 83,41 | — | 99,21 | 12 | 38 | — | — | 38,5 | 37,5 | — | 26,25 | 2 | 90,0 | — | 87,8 |
| M64 | 6 | — | — | 153 | 1,0 | 0,3 | 71 | 64,00 | — | 63,26 | — | 88,16 | — | 104,86 | 13 | 40 | — | — | 40,5 | 39,5 | — | 27,65 | 2 | 95,0 | — | 92,8 |
| Thread, d nom. |
l | |||
|---|---|---|---|---|
| Product grade | ||||
| A min. |
A max. |
B min. |
B max. |
|
| 12 | 11,65 | 12,35 | - | - |
| 16 | 15,65 | 16,35 | - | - |
| 20 | 19,58 | 20,42 | 18,95 | 21,05 |
| 25 | 24,58 | 25,42 | 23,95 | 26,05 |
| 30 | 29,58 | 30,42 | 28,95 | 31,05 |
| 35 | 34,5 | 35,5 | 33,75 | 36,25 |
| 40 | 39,5 | 40,5 | 38,75 | 41,25 |
| 45 | 44,5 | 45,5 | 43,75 | 46,25 |
| 50 | 49,5 | 50,5 | 48,75 | 51,25 |
| 55 | 54,4 | 55,6 | 53,5 | 56,5 |
| 60 | 59,4 | 60,6 | 58,5 | 61,5 |
| 65 | 64,4 | 65,6 | 63,5 | 66,5 |
| 70 | 69,4 | 70,6 | 68,5 | 71,5 |
| 80 | 79,4 | 80,6 | 78,5 | 81,5 |
| 90 | 89,3 | 90,7 | 88,25 | 91,75 |
| 100 | 99,3 | 100,7 | 98,25 | 101,75 |
| 110 | 109,3 | 110,7 | 108,25 | 111,75 |
| 120 | 119,3 | 120,7 | 118,25 | 121,75 |
| 130 | 129,2 | 130,8 | 128 | 132 |
| 140 | 139,2 | 140,8 | 138 | 142 |
| 150 | 149,2 | 150,8 | 148 | 152 |
| 160 | — | — | 158 | 162 |
| 180 | — | — | 178 | 182 |
| 200 | — | — | 197,7 | 202,3 |
| 220 | — | — | 217,7 | 222,3 |
| 240 | — | — | 237,7 | 242,3 |
| 260 | — | — | 257,4 | 262,6 |
| 280 | — | — | 277,4 | 282,6 |
| 300 | — | — | 297,4 | 302,6 |
| 320 | — | — | 317,15 | 322,85 |
| 340 | — | — | 337,15 | 342,85 |
| 360 | — | — | 357,15 | 362,85 |
| 380 | — | — | 377,15 | 382,85 |
| 400 | — | — | 397,15 | 402,85 |
| 420 | — | — | 416,85 | 423,15 |
| 440 | — | — | 436,85 | 443,15 |
| 460 | — | — | 456,85 | 463,15 |
| 480 | — | — | 476,85 | 483,15 |
| 500 | — | — | 496,85 | 503,15 |
| Thread, d nom. |
l | M1,6 | M2 | M2,5 | M3 | M3,5 | M4 | M5 | M6 | M8 | M10 | M12 | M14 | M16 | M18 | M20 | M22 | M24 | M27 | M30 | M33 | M36 | M39 | M42 | M45 | M48 | M52 | M56 | M60 | M64 | ||||||||||||||||||||||||||||||||
|---|---|---|---|---|---|---|---|---|---|---|---|---|---|---|---|---|---|---|---|---|---|---|---|---|---|---|---|---|---|---|---|---|---|---|---|---|---|---|---|---|---|---|---|---|---|---|---|---|---|---|---|---|---|---|---|---|---|---|---|---|---|---|
| Product grade | ls and lg | |||||||||||||||||||||||||||||||||||||||||||||||||||||||||||||
| A min. |
A max. |
B min. |
B max. |
ls min. |
lg max. |
ls min. |
lg max. |
ls min. |
lg max. |
ls min. |
lg max. |
ls min. |
lg max. |
ls min. |
lg max. |
ls min. |
lg max. |
ls min. |
lg max. |
ls min. |
lg max. |
ls min. |
lg max. |
ls min. |
lg max. |
ls min. |
lg max. |
ls min. |
lg max. |
ls min. |
lg max. |
ls min. |
lg max. |
ls min. |
lg max. |
ls min. |
lg max. |
ls min. |
lg max. |
ls min. |
lg max. |
ls min. |
lg max. |
ls min. |
lg max. |
ls min. |
lg max. |
ls min. |
lg max. |
ls min. |
lg max. |
ls min. |
lg max. |
ls min. |
lg max. |
ls min. |
lg max. |
ls min. |
lg max. |
ls min. |
lg max. |
|
| 12 | 11,65 | 12,35 | — | — | 1,2 | 3 | Full Thread | Full Thread | Full Thread | Full Thread | Full Thread | Full Thread | Full Thread | Full Thread | Full Thread | Full Thread | Full Thread | Full Thread | Full Thread | Full Thread | Full Thread | Full Thread | Full Thread | Full Thread | Full Thread | Full Thread | Full Thread | Full Thread | Full Thread | Full Thread | Full Thread | Full Thread | Full Thread | Full Thread | Full Thread | Full Thread | Full Thread | Full Thread | Full Thread | Full Thread | Full Thread | Full Thread | Full Thread | Full Thread | Full Thread | Full Thread | Full Thread | Full Thread | Full Thread | Full Thread | Full Thread | Full Thread | Full Thread | Full Thread | Full Thread | Full Thread | Full Thread | Full Thread | Full Thread | Full Thread | Full Thread | Full Thread |
| 16 | 15,65 | 16,35 | — | — | 5,2 | 7 | 4 | 6 | 2,75 | 5 | Full Thread | Full Thread | Full Thread | Full Thread | Full Thread | Full Thread | Full Thread | Full Thread | Full Thread | Full Thread | Full Thread | Full Thread | Full Thread | Full Thread | Full Thread | Full Thread | Full Thread | Full Thread | Full Thread | Full Thread | Full Thread | Full Thread | Full Thread | Full Thread | Full Thread | Full Thread | Full Thread | Full Thread | Full Thread | Full Thread | Full Thread | Full Thread | Full Thread | Full Thread | Full Thread | Full Thread | Full Thread | Full Thread | Full Thread | Full Thread | Full Thread | Full Thread | Full Thread | Full Thread | Full Thread | Full Thread | Full Thread | Full Thread | Full Thread | Full Thread | Full Thread | Full Thread |
| 20 | 19,58 | 20,42 | 18,95 | 21,05 | . . . | . . . | 8 | 10 | 6,75 | 9 | 5,5 | 8 | 4 | 7 | Full Thread | Full Thread | Full Thread | Full Thread | Full Thread | Full Thread | Full Thread | Full Thread | Full Thread | Full Thread | Full Thread | Full Thread | Full Thread | Full Thread | Full Thread | Full Thread | Full Thread | Full Thread | Full Thread | Full Thread | Full Thread | Full Thread | Full Thread | Full Thread | Full Thread | Full Thread | Full Thread | Full Thread | Full Thread | Full Thread | Full Thread | Full Thread | Full Thread | Full Thread | Full Thread | Full Thread | Full Thread | Full Thread | Full Thread | Full Thread | Full Thread | Full Thread | Full Thread | Full Thread | Full Thread | Full Thread | Full Thread | Full Thread |
| 25 | 24,58 | 25,42 | 23,95 | 26,05 | . . . | . . . | . . . | . . . | 11,75 | 14 | 10,5 | 13 | 9 | 12 | 7,5 | 11 | 5 | 9 | Full Thread | Full Thread | Full Thread | Full Thread | Full Thread | Full Thread | Full Thread | Full Thread | Full Thread | Full Thread | Full Thread | Full Thread | Full Thread | Full Thread | Full Thread | Full Thread | Full Thread | Full Thread | Full Thread | Full Thread | Full Thread | Full Thread | Full Thread | Full Thread | Full Thread | Full Thread | Full Thread | Full Thread | Full Thread | Full Thread | Full Thread | Full Thread | Full Thread | Full Thread | Full Thread | Full Thread | Full Thread | Full Thread | Full Thread | Full Thread | Full Thread | Full Thread | Full Thread | Full Thread |
| 30 | 29,58 | 30,42 | 28,95 | 31,05 | . . . | . . . | . . . | . . . | . . . | . . . | 15,5 | 18 | 14 | 17 | 12,5 | 16 | 10 | 14 | 7 | 12 | Full Thread | Full Thread | Full Thread | Full Thread | Full Thread | Full Thread | Full Thread | Full Thread | Full Thread | Full Thread | Full Thread | Full Thread | Full Thread | Full Thread | Full Thread | Full Thread | Full Thread | Full Thread | Full Thread | Full Thread | Full Thread | Full Thread | Full Thread | Full Thread | Full Thread | Full Thread | Full Thread | Full Thread | Full Thread | Full Thread | Full Thread | Full Thread | Full Thread | Full Thread | Full Thread | Full Thread | Full Thread | Full Thread | Full Thread | Full Thread | Full Thread | Full Thread |
| 35 | 34,5 | 35,5 | 33,75 | 36,25 | . . . | . . . | . . . | . . . | . . . | . . . | . . . | . . . | 19 | 22 | 17,5 | 21 | 15 | 19 | 12 | 17 | Full Thread | Full Thread | Full Thread | Full Thread | Full Thread | Full Thread | Full Thread | Full Thread | Full Thread | Full Thread | Full Thread | Full Thread | Full Thread | Full Thread | Full Thread | Full Thread | Full Thread | Full Thread | Full Thread | Full Thread | Full Thread | Full Thread | Full Thread | Full Thread | Full Thread | Full Thread | Full Thread | Full Thread | Full Thread | Full Thread | Full Thread | Full Thread | Full Thread | Full Thread | Full Thread | Full Thread | Full Thread | Full Thread | Full Thread | Full Thread | Full Thread | Full Thread |
| 40 | 39,5 | 40,5 | 38,75 | 41,25 | . . . | . . . | . . . | . . . | . . . | . . . | . . . | . . . | . . . | . . . | 22,5 | 26 | 20 | 24 | 17 | 22 | 11,75 | 18 | Full Thread | Full Thread | Full Thread | Full Thread | Full Thread | Full Thread | Full Thread | Full Thread | Full Thread | Full Thread | Full Thread | Full Thread | Full Thread | Full Thread | Full Thread | Full Thread | Full Thread | Full Thread | Full Thread | Full Thread | Full Thread | Full Thread | Full Thread | Full Thread | Full Thread | Full Thread | Full Thread | Full Thread | Full Thread | Full Thread | Full Thread | Full Thread | Full Thread | Full Thread | Full Thread | Full Thread | Full Thread | Full Thread | Full Thread | Full Thread |
| 45 | 44,5 | 45,5 | 43,75 | 46,25 | . . . | . . . | . . . | . . . | . . . | . . . | . . . | . . . | . . . | . . . | . . . | . . . | 25 | 29 | 22 | 27 | 16,75 | 23 | 11,5 | 19 | Full Thread | Full Thread | Full Thread | Full Thread | Full Thread | Full Thread | Full Thread | Full Thread | Full Thread | Full Thread | Full Thread | Full Thread | Full Thread | Full Thread | Full Thread | Full Thread | Full Thread | Full Thread | Full Thread | Full Thread | Full Thread | Full Thread | Full Thread | Full Thread | Full Thread | Full Thread | Full Thread | Full Thread | Full Thread | Full Thread | Full Thread | Full Thread | Full Thread | Full Thread | Full Thread | Full Thread | Full Thread | Full Thread |
| 50 | 49,5 | 50,5 | 48,75 | 51,25 | . . . | . . . | . . . | . . . | . . . | . . . | . . . | . . . | . . . | . . . | . . . | . . . | 30 | 34 | 27 | 32 | 21,75 | 28 | 16,5 | 24 | 11,25 | 20 | Full Thread | Full Thread | Full Thread | Full Thread | Full Thread | Full Thread | Full Thread | Full Thread | Full Thread | Full Thread | Full Thread | Full Thread | Full Thread | Full Thread | Full Thread | Full Thread | Full Thread | Full Thread | Full Thread | Full Thread | Full Thread | Full Thread | Full Thread | Full Thread | Full Thread | Full Thread | Full Thread | Full Thread | Full Thread | Full Thread | Full Thread | Full Thread | Full Thread | Full Thread | Full Thread | Full Thread |
| 55 | 54,4 | 55,6 | 53,5 | 56,5 | . . . | . . . | . . . | . . . | . . . | . . . | . . . | . . . | . . . | . . . | . . . | . . . | . . . | . . . | 32 | 37 | 26,75 | 33 | 21,5 | 29 | 16,25 | 25 | Full Thread | Full Thread | Full Thread | Full Thread | Full Thread | Full Thread | Full Thread | Full Thread | Full Thread | Full Thread | Full Thread | Full Thread | Full Thread | Full Thread | Full Thread | Full Thread | Full Thread | Full Thread | Full Thread | Full Thread | Full Thread | Full Thread | Full Thread | Full Thread | Full Thread | Full Thread | Full Thread | Full Thread | Full Thread | Full Thread | Full Thread | Full Thread | Full Thread | Full Thread | Full Thread | Full Thread |
| 60 | 59,4 | 60,6 | 58,5 | 61,5 | . . . | . . . | . . . | . . . | . . . | . . . | . . . | . . . | . . . | . . . | . . . | . . . | . . . | . . . | 37 | 42 | 31,75 | 38 | 26,5 | 34 | 21,25 | 30 | 16 | 26 | Full Thread | Full Thread | Full Thread | Full Thread | Full Thread | Full Thread | Full Thread | Full Thread | Full Thread | Full Thread | Full Thread | Full Thread | Full Thread | Full Thread | Full Thread | Full Thread | Full Thread | Full Thread | Full Thread | Full Thread | Full Thread | Full Thread | Full Thread | Full Thread | Full Thread | Full Thread | Full Thread | Full Thread | Full Thread | Full Thread | Full Thread | Full Thread | Full Thread | Full Thread |
| 65 | 64,4 | 65,6 | 63,5 | 66,5 | . . . | . . . | . . . | . . . | . . . | . . . | . . . | . . . | . . . | . . . | . . . | . . . | . . . | . . . | . . . | . . . | 36,75 | 43 | 31,5 | 39 | 26,25 | 35 | 21 | 31 | 17 | 27 | Full Thread | Full Thread | Full Thread | Full Thread | Full Thread | Full Thread | Full Thread | Full Thread | Full Thread | Full Thread | Full Thread | Full Thread | Full Thread | Full Thread | Full Thread | Full Thread | Full Thread | Full Thread | Full Thread | Full Thread | Full Thread | Full Thread | Full Thread | Full Thread | Full Thread | Full Thread | Full Thread | Full Thread | Full Thread | Full Thread | Full Thread | Full Thread |
| 70 | 69,4 | 70,6 | 68,5 | 71,5 | . . . | . . . | . . . | . . . | . . . | . . . | . . . | . . . | . . . | . . . | . . . | . . . | . . . | . . . | . . . | . . . | 41,75 | 48 | 36,5 | 44 | 31,25 | 40 | 26 | 36 | 22 | 32 | 15,5 | 28 | Full Thread | Full Thread | Full Thread | Full Thread | Full Thread | Full Thread | Full Thread | Full Thread | Full Thread | Full Thread | Full Thread | Full Thread | Full Thread | Full Thread | Full Thread | Full Thread | Full Thread | Full Thread | Full Thread | Full Thread | Full Thread | Full Thread | Full Thread | Full Thread | Full Thread | Full Thread | Full Thread | Full Thread | Full Thread | Full Thread |
| 80 | 79,4 | 80,6 | 78,5 | 81,5 | . . . | . . . | . . . | . . . | . . . | . . . | . . . | . . . | . . . | . . . | . . . | . . . | . . . | . . . | . . . | . . . | 51,75 | 58 | 46,5 | 54 | 41,25 | 50 | 36 | 46 | 32 | 42 | 25,5 | 38 | 21,5 | 34 | Full Thread | Full Thread | Full Thread | Full Thread | Full Thread | Full Thread | Full Thread | Full Thread | Full Thread | Full Thread | Full Thread | Full Thread | Full Thread | Full Thread | Full Thread | Full Thread | Full Thread | Full Thread | Full Thread | Full Thread | Full Thread | Full Thread | Full Thread | Full Thread | Full Thread | Full Thread | Full Thread | Full Thread |
| 90 | 89,3 | 90,7 | 88,25 | 91,75 | . . . | . . . | . . . | . . . | . . . | . . . | . . . | . . . | . . . | . . . | . . . | . . . | . . . | . . . | . . . | . . . | . . . | . . . | 56,5 | 64 | 51,25 | 60 | 46 | 56 | 42 | 52 | 35,5 | 48 | 31,5 | 44 | 27,5 | 40 | 21 | 36 | Full Thread | Full Thread | Full Thread | Full Thread | Full Thread | Full Thread | Full Thread | Full Thread | Full Thread | Full Thread | Full Thread | Full Thread | Full Thread | Full Thread | Full Thread | Full Thread | Full Thread | Full Thread | Full Thread | Full Thread | Full Thread | Full Thread | Full Thread | Full Thread |
| 100 | 99,3 | 100,7 | 98,25 | 101,75 | . . . | . . . | . . . | . . . | . . . | . . . | . . . | . . . | . . . | . . . | . . . | . . . | . . . | . . . | . . . | . . . | . . . | . . . | 66,5 | 74 | 61,25 | 70 | 56 | 66 | 52 | 62 | 45,5 | 58 | 41,5 | 54 | 37,5 | 50 | 31 | 46 | 25 | 40 | Full Thread | Full Thread | Full Thread | Full Thread | Full Thread | Full Thread | Full Thread | Full Thread | Full Thread | Full Thread | Full Thread | Full Thread | Full Thread | Full Thread | Full Thread | Full Thread | Full Thread | Full Thread | Full Thread | Full Thread | Full Thread | Full Thread |
| 110 | 109,3 | 110,7 | 108,25 | 111,75 | . . . | . . . | . . . | . . . | . . . | . . . | . . . | . . . | . . . | . . . | . . . | . . . | . . . | . . . | . . . | . . . | . . . | . . . | . . . | . . . | 71,25 | 80 | 66 | 76 | 62 | 72 | 55,5 | 68 | 51,5 | 64 | 47,5 | 60 | 41 | 56 | 35 | 50 | 26,5 | 44 | Full Thread | Full Thread | Full Thread | Full Thread | Full Thread | Full Thread | Full Thread | Full Thread | Full Thread | Full Thread | Full Thread | Full Thread | Full Thread | Full Thread | Full Thread | Full Thread | Full Thread | Full Thread | Full Thread | Full Thread |
| 120 | 119,3 | 120,7 | 118,25 | 121,75 | . . . | . . . | . . . | . . . | . . . | . . . | . . . | . . . | . . . | . . . | . . . | . . . | . . . | . . . | . . . | . . . | . . . | . . . | . . . | . . . | 81,25 | 90 | 76 | 86 | 72 | 82 | 65,5 | 78 | 61,5 | 74 | 57,5 | 70 | 51 | 66 | 45 | 60 | 36,5 | 54 | Full Thread | Full Thread | Full Thread | Full Thread | Full Thread | Full Thread | Full Thread | Full Thread | Full Thread | Full Thread | Full Thread | Full Thread | Full Thread | Full Thread | Full Thread | Full Thread | Full Thread | Full Thread | Full Thread | Full Thread |
| 130 | 129,2 | 130,8 | 128 | 132 | . . . | . . . | . . . | . . . | . . . | . . . | . . . | . . . | . . . | . . . | . . . | . . . | . . . | . . . | . . . | . . . | . . . | . . . | . . . | . . . | . . . | . . . | 80 | 90 | 76 | 86 | 69,5 | 82 | 65,5 | 78 | 61,5 | 74 | 55 | 70 | 49 | 64 | 40,5 | 58 | 34,5 | 52 | Full Thread | Full Thread | Full Thread | Full Thread | Full Thread | Full Thread | Full Thread | Full Thread | Full Thread | Full Thread | Full Thread | Full Thread | Full Thread | Full Thread | Full Thread | Full Thread | Full Thread | Full Thread |
| 140 | 139,2 | 140,8 | 138 | 142 | . . . | . . . | . . . | . . . | . . . | . . . | . . . | . . . | . . . | . . . | . . . | . . . | . . . | . . . | . . . | . . . | . . . | . . . | . . . | . . . | . . . | . . . | 90 | 100 | 86 | 96 | 79,5 | 92 | 75,5 | 88 | 71,5 | 84 | 65 | 80 | 59 | 74 | 50,5 | 68 | 44,5 | 62 | 36 | 56 | Full Thread | Full Thread | Full Thread | Full Thread | Full Thread | Full Thread | Full Thread | Full Thread | Full Thread | Full Thread | Full Thread | Full Thread | Full Thread | Full Thread | Full Thread | Full Thread |
| 150 | 149,2 | 150,8 | 148 | 152 | . . . | . . . | . . . | . . . | . . . | . . . | . . . | . . . | . . . | . . . | . . . | . . . | . . . | . . . | . . . | . . . | . . . | . . . | . . . | . . . | . . . | . . . | . . . | . . . | 96 | 106 | 89,5 | 102 | 85,5 | 98 | 81,5 | 94 | 75 | 90 | 69 | 84 | 60,5 | 78 | 54,5 | 72 | 46 | 66 | 40 | 60 | Full Thread | Full Thread | Full Thread | Full Thread | Full Thread | Full Thread | Full Thread | Full Thread | Full Thread | Full Thread | Full Thread | Full Thread | Full Thread | Full Thread |
| 160 | — | — | 158 | 162 | . . . | . . . | . . . | . . . | . . . | . . . | . . . | . . . | . . . | . . . | . . . | . . . | . . . | . . . | . . . | . . . | . . . | . . . | . . . | . . . | . . . | . . . | . . . | . . . | 106 | 116 | 99,5 | 112 | 95,5 | 108 | 91,5 | 104 | 85 | 100 | 79 | 94 | 70,5 | 88 | 64,5 | 82 | 56 | 76 | 50 | 70 | 41,5 | 64 | Full Thread | Full Thread | Full Thread | Full Thread | Full Thread | Full Thread | Full Thread | Full Thread | Full Thread | Full Thread | Full Thread | Full Thread |
| 180 | — | — | 178 | 182 | . . . | . . . | . . . | . . . | . . . | . . . | . . . | . . . | . . . | . . . | . . . | . . . | . . . | . . . | . . . | . . . | . . . | . . . | . . . | . . . | . . . | . . . | . . . | . . . | . . . | . . . | 119,5 | 132 | 115,5 | 128 | 111,5 | 124 | 105 | 120 | 99 | 114 | 90,5 | 108 | 84,5 | 102 | 76 | 96 | 70 | 90 | 61,5 | 84 | 55,5 | 78 | 47 | 72 | Full Thread | Full Thread | Full Thread | Full Thread | Full Thread | Full Thread | Full Thread | Full Thread |
| 200 | — | — | 197,7 | 202,3 | . . . | . . . | . . . | . . . | . . . | . . . | . . . | . . . | . . . | . . . | . . . | . . . | . . . | . . . | . . . | . . . | . . . | . . . | . . . | . . . | . . . | . . . | . . . | . . . | . . . | . . . | . . . | . . . | 135,5 | 148 | 131,5 | 144 | 125 | 140 | 119 | 134 | 110,5 | 128 | 104,5 | 122 | 96 | 116 | 90 | 110 | 81,5 | 104 | 75,5 | 98 | 67 | 92 | 59 | 84 | Full Thread | Full Thread | Full Thread | Full Thread | Full Thread | Full Thread |
| 220 | — | — | 217,7 | 222,3 | . . . | . . . | . . . | . . . | . . . | . . . | . . . | . . . | . . . | . . . | . . . | . . . | . . . | . . . | . . . | . . . | . . . | . . . | . . . | . . . | . . . | . . . | . . . | . . . | . . . | . . . | . . . | . . . | . . . | . . . | 138,5 | 151 | 132 | 147 | 126 | 141 | 117,5 | 135 | 111,5 | 129 | 103 | 123 | 97 | 117 | 88,5 | 111 | 82,5 | 105 | 74 | 99 | 66 | 91 | 55,5 | 83 | Full Thread | Full Thread | Full Thread | Full Thread |
| 240 | — | — | 237,7 | 242,3 | . . . | . . . | . . . | . . . | . . . | . . . | . . . | . . . | . . . | . . . | . . . | . . . | . . . | . . . | . . . | . . . | . . . | . . . | . . . | . . . | . . . | . . . | . . . | . . . | . . . | . . . | . . . | . . . | . . . | . . . | . . . | . . . | 152 | 167 | 146 | 161 | 137,5 | 155 | 131,5 | 149 | 123 | 143 | 117 | 137 | 108,5 | 131 | 102,5 | 125 | 94 | 119 | 86 | 111 | 75,5 | 103 | 67,5 | 95 | Full Thread | Full Thread |
| 260 | — | — | 257,4 | 262,6 | . . . | . . . | . . . | . . . | . . . | . . . | . . . | . . . | . . . | . . . | . . . | . . . | . . . | . . . | . . . | . . . | . . . | . . . | . . . | . . . | . . . | . . . | . . . | . . . | . . . | . . . | . . . | . . . | . . . | . . . | . . . | . . . | . . . | . . . | 166 | 181 | 157,5 | 175 | 151,5 | 169 | 143 | 163 | 137 | 157 | 128,5 | 151 | 122,5 | 145 | 114 | 139 | 106 | 131 | 95,5 | 123 | 87,5 | 115 | 77 | 107 |
| 280 | — | — | 277,4 | 282,6 | . . . | . . . | . . . | . . . | . . . | . . . | . . . | . . . | . . . | . . . | . . . | . . . | . . . | . . . | . . . | . . . | . . . | . . . | . . . | . . . | . . . | . . . | . . . | . . . | . . . | . . . | . . . | . . . | . . . | . . . | . . . | . . . | . . . | . . . | . . . | . . . | 177,5 | 195 | 171,5 | 189 | 163 | 183 | 157 | 177 | 148,5 | 171 | 142,5 | 165 | 134 | 159 | 126 | 151 | 115,5 | 143 | 107,5 | 135 | 97 | 127 |
| 300 | — | — | 297,4 | 302,6 | . . . | . . . | . . . | . . . | . . . | . . . | . . . | . . . | . . . | . . . | . . . | . . . | . . . | . . . | . . . | . . . | . . . | . . . | . . . | . . . | . . . | . . . | . . . | . . . | . . . | . . . | . . . | . . . | . . . | . . . | . . . | . . . | . . . | . . . | . . . | . . . | 197,5 | 215 | 191,5 | 209 | 183 | 203 | 177 | 197 | 168,5 | 191 | 162,5 | 185 | 154 | 179 | 146 | 171 | 135,5 | 163 | 127,5 | 155 | 117 | 147 |
| 320 | — | — | 317,15 | 322,85 | . . . | . . . | . . . | . . . | . . . | . . . | . . . | . . . | . . . | . . . | . . . | . . . | . . . | . . . | . . . | . . . | . . . | . . . | . . . | . . . | . . . | . . . | . . . | . . . | . . . | . . . | . . . | . . . | . . . | . . . | . . . | . . . | . . . | . . . | . . . | . . . | . . . | . . . | 211,5 | 229 | 203 | 223 | 197 | 217 | 188,5 | 211 | 182,5 | 205 | 174 | 199 | 166 | 191 | 155,5 | 183 | 147,5 | 175 | 137 | 167 |
| 340 | — | — | 337,15 | 342,85 | . . . | . . . | . . . | . . . | . . . | . . . | . . . | . . . | . . . | . . . | . . . | . . . | . . . | . . . | . . . | . . . | . . . | . . . | . . . | . . . | . . . | . . . | . . . | . . . | . . . | . . . | . . . | . . . | . . . | . . . | . . . | . . . | . . . | . . . | . . . | . . . | . . . | . . . | . . . | . . . | 233 | 243 | 217 | 237 | 208,5 | 231 | 202,5 | 225 | 194 | 219 | 186 | 211 | 175,5 | 203 | 167,5 | 195 | 157 | 187 |
| 360 | — | — | 357,15 | 362,85 | . . . | . . . | . . . | . . . | . . . | . . . | . . . | . . . | . . . | . . . | . . . | . . . | . . . | . . . | . . . | . . . | . . . | . . . | . . . | . . . | . . . | . . . | . . . | . . . | . . . | . . . | . . . | . . . | . . . | . . . | . . . | . . . | . . . | . . . | . . . | . . . | . . . | . . . | . . . | . . . | 243 | 263 | 237 | 257 | 228,5 | 251 | 222,5 | 245 | 214 | 239 | 206 | 231 | 195,5 | 223 | 187,5 | 215 | 177 | 207 |
| 380 | — | — | 377,15 | 382,85 | . . . | . . . | . . . | . . . | . . . | . . . | . . . | . . . | . . . | . . . | . . . | . . . | . . . | . . . | . . . | . . . | . . . | . . . | . . . | . . . | . . . | . . . | . . . | . . . | . . . | . . . | . . . | . . . | . . . | . . . | . . . | . . . | . . . | . . . | . . . | . . . | . . . | . . . | . . . | . . . | . . . | . . . | 257 | 277 | 248,5 | 271 | 242,5 | 265 | 234 | 259 | 226 | 251 | 215,5 | 243 | 207,5 | 235 | 197 | 227 |
| 400 | — | — | 397,15 | 402,85 | . . . | . . . | . . . | . . . | . . . | . . . | . . . | . . . | . . . | . . . | . . . | . . . | . . . | . . . | . . . | . . . | . . . | . . . | . . . | . . . | . . . | . . . | . . . | . . . | . . . | . . . | . . . | . . . | . . . | . . . | . . . | . . . | . . . | . . . | . . . | . . . | . . . | . . . | . . . | . . . | . . . | . . . | . . . | . . . | 268,5 | 291 | 262,5 | 285 | 254 | 279 | 246 | 271 | 235,5 | 263 | 227,5 | 255 | 217 | 247 |
| 420 | — | — | 416,85 | 423,15 | . . . | . . . | . . . | . . . | . . . | . . . | . . . | . . . | . . . | . . . | . . . | . . . | . . . | . . . | . . . | . . . | . . . | . . . | . . . | . . . | . . . | . . . | . . . | . . . | . . . | . . . | . . . | . . . | . . . | . . . | . . . | . . . | . . . | . . . | . . . | . . . | . . . | . . . | . . . | . . . | . . . | . . . | . . . | . . . | 288,5 | 311 | 282,5 | 305 | 274 | 299 | 266 | 291 | 255,5 | 283 | 247,5 | 275 | 237 | 267 |
| 440 | — | — | 436,85 | 443,15 | . . . | . . . | . . . | . . . | . . . | . . . | . . . | . . . | . . . | . . . | . . . | . . . | . . . | . . . | . . . | . . . | . . . | . . . | . . . | . . . | . . . | . . . | . . . | . . . | . . . | . . . | . . . | . . . | . . . | . . . | . . . | . . . | . . . | . . . | . . . | . . . | . . . | . . . | . . . | . . . | . . . | . . . | . . . | . . . | 308,5 | 331 | 302,5 | 325 | 294 | 319 | 286 | 311 | 275,5 | 303 | 267,5 | 295 | 257 | 287 |
| 460 | — | — | 456,85 | 463,15 | . . . | . . . | . . . | . . . | . . . | . . . | . . . | . . . | . . . | . . . | . . . | . . . | . . . | . . . | . . . | . . . | . . . | . . . | . . . | . . . | . . . | . . . | . . . | . . . | . . . | . . . | . . . | . . . | . . . | . . . | . . . | . . . | . . . | . . . | . . . | . . . | . . . | . . . | . . . | . . . | . . . | . . . | . . . | . . . | 314 | 339 | . . . | . . . | 315,5 | 323 | 306 | 331 | 295,5 | 323 | 287,5 | 315 | 277 | 307 |
| 480 | — | — | 476,85 | 483,15 | . . . | . . . | . . . | . . . | . . . | . . . | . . . | . . . | . . . | . . . | . . . | . . . | . . . | . . . | . . . | . . . | . . . | . . . | . . . | . . . | . . . | . . . | . . . | . . . | . . . | . . . | . . . | . . . | . . . | . . . | . . . | . . . | . . . | . . . | . . . | . . . | . . . | . . . | . . . | . . . | . . . | . . . | . . . | . . . | 334 | 359 | . . . | . . . | 315,5 | 343 | 326 | 351 | 315,5 | 343 | 307,5 | 335 | 297 | 327 |
| 500 | — | — | 496,85 | 503,15 | . . . | . . . | . . . | . . . | . . . | . . . | . . . | . . . | . . . | . . . | . . . | . . . | . . . | . . . | . . . | . . . | . . . | . . . | . . . | . . . | . . . | . . . | . . . | . . . | . . . | . . . | . . . | . . . | . . . | . . . | . . . | . . . | . . . | . . . | . . . | . . . | . . . | . . . | . . . | . . . | . . . | . . . | . . . | . . . | . . . | . . . | . . . | . . . | 335,5 | 363 | . . . | . . . | . . . | . . . | 327,5 | 355 | 317 | 347 |
B18.2.3.1M Metric
Hex Cap
ScrewsISO
4017
Full Thread Hex Head Bolts
ASME B18.2.1 Askew
Head Bolts
DIN 931 Hex Head Bolts
DIN 933 Hex Head Cap
Screws