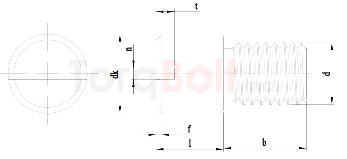
| Thread d | P | b | dk | f | n | t | |||||
|---|---|---|---|---|---|---|---|---|---|---|---|
| nominal = min. | max. | nominal = max. | min. | max. | Nominal | min. | max. | min. | max. | ||
| M1 | 0.25 | 1.8 | 2.05 | 1.6 | 1.575 | 0.2 | 0.2 | 0.26 | 0.4 | 0.4 | 0.52 |
| M1.2 | 0.25 | 1.8 | 2.05 | 1.8 | 1.775 | 0.2 | 0.25 | 0.31 | 0.45 | 0.4 | 0.52 |
| M1.4 | 0.3 | 2.2 | 2.45 | 2 | 1.975 | 0.25 | 0.25 | 0.31 | 0.45 | 0.48 | 0.63 |
| M1.6 | 0.35 | 2.5 | 2.75 | 2.2 | 2.175 | 0.3 | 0.3 | 0.36 | 0.5 | 0.56 | 0.74 |
| M2 | 0.4 | 2.8 | 3.05 | 2.8 | 2.775 | 0.4 | 0.3 | 0.36 | 0.5 | 0.64 | 0.84 |
| M2.5 | 0.45 | 3.5 | 3.8 | 3.5 | 3.47 | 0.5 | 0.4 | 0.46 | 0.6 | 0.72 | 0.95 |
| M3 | 0.5 | 4.5 | 4.8 | 4 | 3.97 | 0.5 | 0.5 | 0.56 | 0.7 | 0.8 | 1.05 |
| (M3.5) | 0.6 | 5.5 | 5.8 | 4.5 | 4.47 | 0.7 | 0.5 | 0.56 | 0.7 | 0.96 | 1.21 |
| M4 | 0.7 | 6 | 6.3 | 5.5 | 5.47 | 0.8 | 0.6 | 0.66 | 0.8 | 1.12 | 1.42 |
| M5 | 0.8 | 7 | 7.36 | 6.5 | 6.464 | 0.8 | 0.8 | 0.86 | 1 | 1.28 | 1.63 |
| M6 | 1 | 8 | 8.36 | 8 | 7.964 | 1 | 1 | 1.06 | 1.2 | 1.6 | 2 |
| l | Thread sizes | |||||||||||
|---|---|---|---|---|---|---|---|---|---|---|---|---|
| Nominal | tolerance | |||||||||||
| 0.8 | js 15 for l and b | + | ||||||||||
| 1 | + | + | + | |||||||||
| 1.2 | + | + | + | + | ||||||||
| 1.6 | + | + | + | + | + | |||||||
| 2 | + | + | + | + | + | + | ||||||
| 2.5 | + | + | + | + | + | + | + | |||||
| 3 | + | + | + | + | + | + | ||||||
| 4 | + | + | + | + | + | + | ||||||
| 5 | + | + | + | + | + | + | ||||||
| 6 | + | + | + | + | + | |||||||
| 8 | + | + | + | |||||||||
| 10 | + | + | ||||||||||