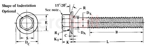
ASME B18.6.7m Hex Flange Head Machine Screws

ASME B18.6.7m Hex Flange Head Machine Screws

Nominal Size and Thread Pitch Body Diameter, Ds Hex Width Across Flats, Sa Hex Width Across Corners, Ea Min Flange Diameter, DC Overall Head Height, K Hex Height, K1 Min, Flange Edge Thickness, Cb Min Flange Top Fillet Radius, R1 Max Underhead Fillet
Max Min Max Min Max Min Min, Min Max. Transition Dia, DA Min Radius, R
ASME B18.6.7M - M2 × 0.4 2 1.65 3 2.84 3.16 4.5 4.1 2.2 1.3 0.3 0.1 2.6 0.1
ASME B18.6.7M - M2.5 × 0.45 2.5 2.12 3.2 3.04 3.39 5.4 5 2.7 1.6 0.3 0.2 3.1 0.1
ASME B18.6.7M - M3 × 0.5 3 2.58 4 3.84 4.27 6.4 5.9 3.2 1.9 0.4 0.2 3.6 0.1
ASME B18.6.7M - M3.5 × 0.6 3.5 3 5 4.82 5.36 7.5 6.9 3.8 2.4 0.5 0.2 4.1 0.1
ASME B18.6.7M - M4 × 0.7 4 3.43 5.5 5.32 5.92 8.5 7.8 4.3 2.8 0.6 0.2 4.7 0.2
ASME B18.6.7M - M5 × 0.8 5 4.36 7 6.78 7.55 10.6 9.8 5.4 3.5 0.7 0.3 5.7 0.2
ASME B18.6.7M - M6 × 1 6 5.21 8 7.78 8.66 12.8 11.8 6.7 4.2 1 0.4 6.8 0.3
ASME B18.6.7M - M8 × 1.25 8 7.04 10 9.78 10.89 16.8 15.5 8.6 5.6 1.2 0.5 9.2 0.4
ASME B18.6.7M - M10 × 1.5 10 8.86 13 12.72 14.16 21 19.3 10.7 7 1.4 0.6 11.2 0.4
ASME B18.6.7M - M12 × 1.75 12 10.68 15 14.72 16.38 24.8 23.3 13.7 8.4 1.8 0.7 13.2 0.4
  • a Dimensions across flats and across corners of the head are measured at the point of maximum metal. Taper of sides of head (angle between one side and the axis) shall not exceed 2° or 0.10 mm, whichever is greater, the specified width across flats being the large dimension.
  • b The contour of the edge at periphery of flange is optional provided the minimum flange thickness is maintained at the minimum flange diameter. The top surface of
  • flange may be straight or slightly rounded (convex) upward.
  • All dimensions in millimeters.
  • A slight rounding of all edges of the hexagon surfaces of indented hex heads is permissible provided the diameter of the bearing circle is not less than the equivalent of 90 per cent of the specified minimum width across flats dimension.
  • Heads may be indented, trimmed, or fully upset at the option of the manufacturer.
  • For dimension B, see Table 1.
  • For dimension L, see Table 7.